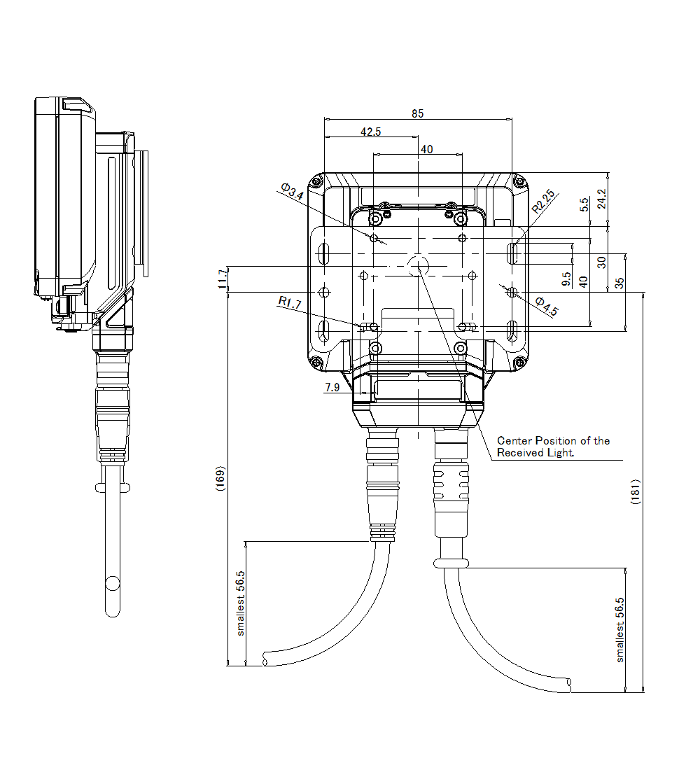
外形寸法図

  • 文字が読みにくい場合は、CADもしくはマニュアルをご確認ください。
IV3-500CA/IV3-500MA/IV3-600CA/IV3-600MA/IV3-L5C/IV3-L5M/IV3-L6C/IV3-L6M/OP-88634 Dimension
IV3-500CA/IV3-500MA/IV3-600CA/IV3-600MA/IV3-L5C/IV3-L5M/IV3-L6C/IV3-L6M/OP-88634 Dimension
IV3-500CA/IV3-500MA/IV3-600CA/IV3-600MA/OP-88634 Dimension
IV3-G500CA/IV3-G500MA/IV3-G600CA/IV3-G600MA/IV3-LG5C/IV3-LG5M/IV3-LG6C/IV3-LG6M/OP-88634 Dimension
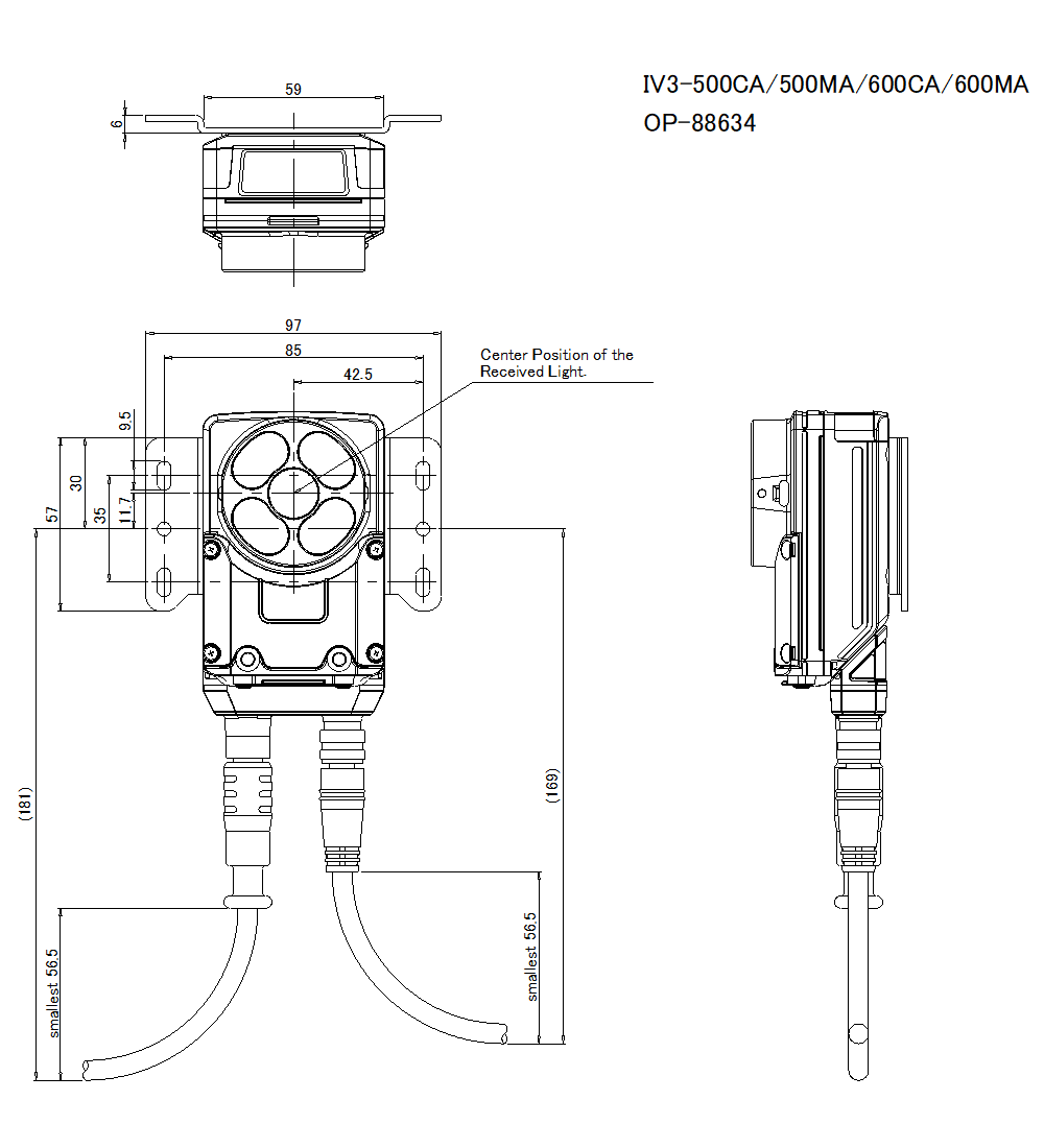
OP-88634 Dimension
IV3_SENSOR_OP-88634 Dimension
IV3_SENSOR_OP-88634 Dimension