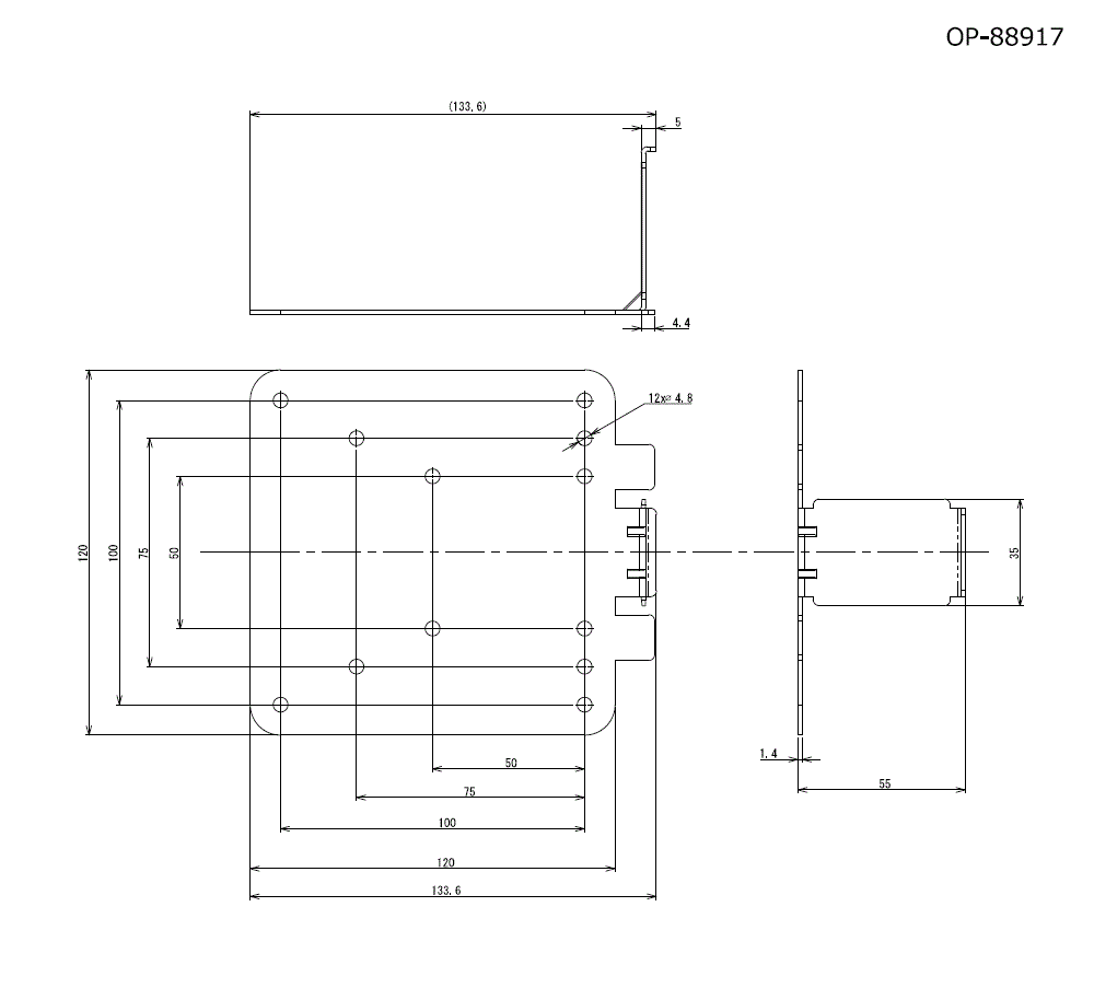
外形寸法図

  • 文字が読みにくい場合は、CADもしくはマニュアルをご確認ください。
IV4-DU10/OP-88917 Dimension
OP-88917 Dimension