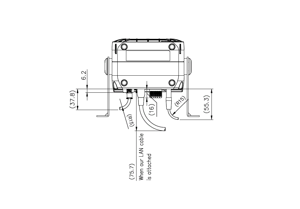
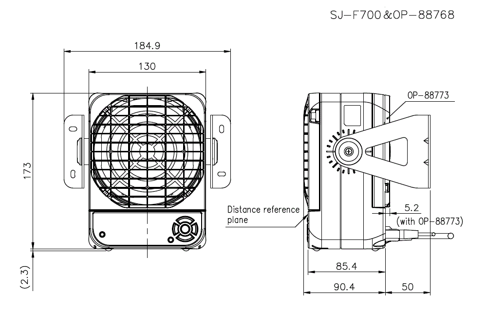
外形寸法図

  • 文字が読みにくい場合は、CADもしくはマニュアルをご確認ください。
OP-88768 Dimension
SJ-F700/OP-88768 Dimension
SJ-F700/OP-88768 Dimension