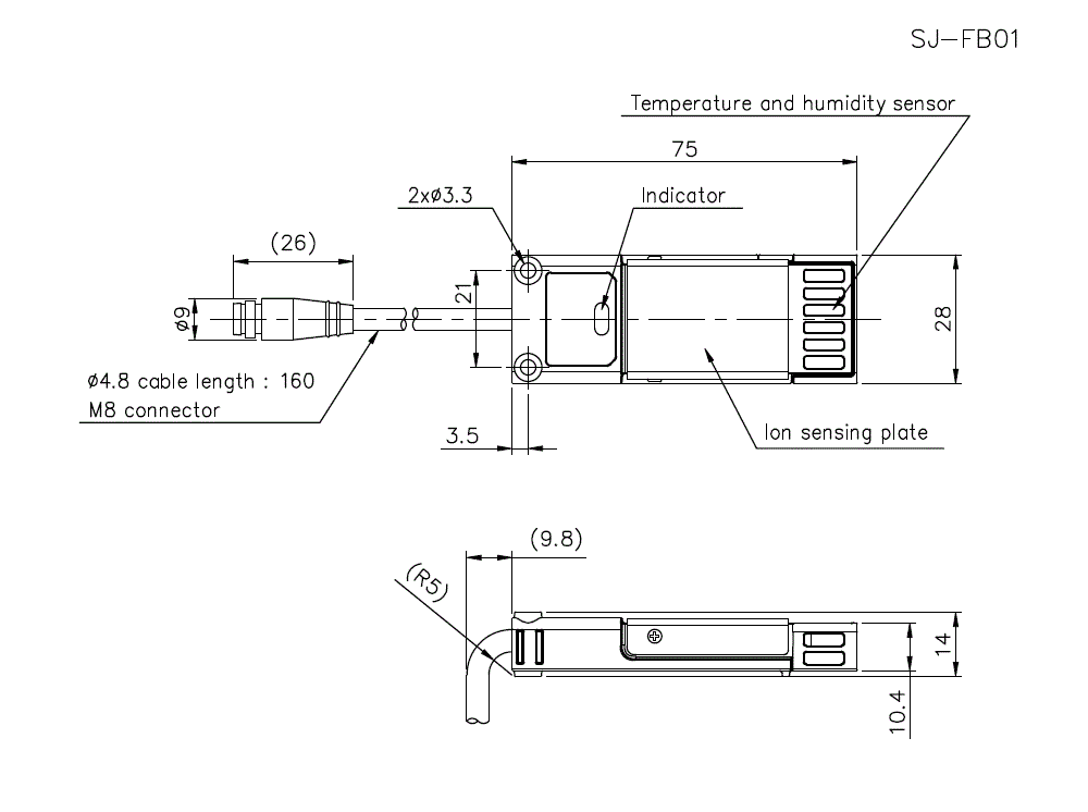
外形寸法図

  • 文字が読みにくい場合は、CADもしくはマニュアルをご確認ください。
SJ-FB01/OP-88769 Dimension
SJ-FB01/OP-88770 Dimension
SJ-FB01 Dimension