外形寸法図

  • 文字が読みにくい場合は、CADもしくはマニュアルをご確認ください。
IV2-G150/G300/G500/G600/GD05/OP-87910 Dimension
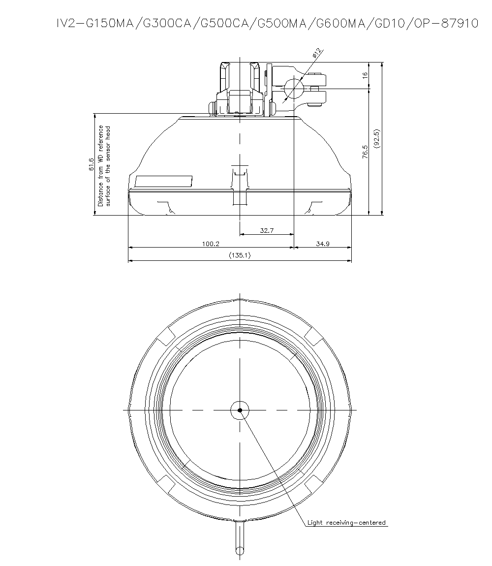
IV2-G150/G300/G500/G600/GD10/OP-87910 Dimension
IV2-G150/G300/G500/G600/GD10/OP-87910_02 Dimension
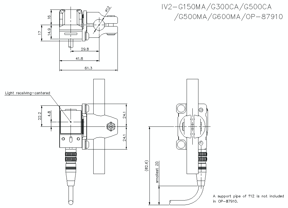
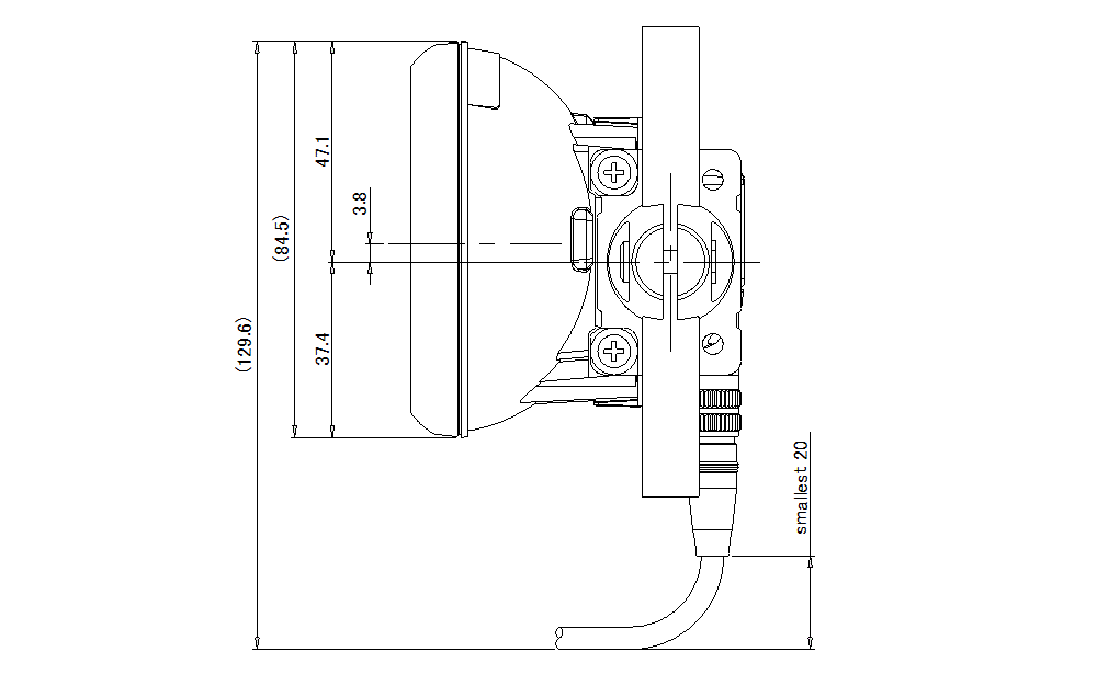
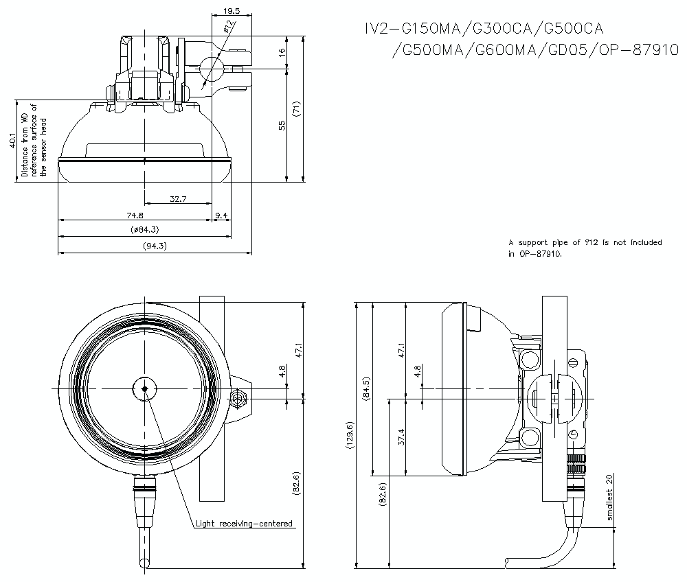
IV2-G150/G300/G500/G600/OP-87910 Dimension
IV3-G500CA/IV3-G500MA/IV3-G600CA/IV3-G600MA/OP-87910 Dimension
IV3-G/GD05/OP-87910 Dimension 01
IV3-G/GD05/OP-87910 Dimension 02
IV3-G/GD05/OP-87910 Dimension 03
IV3-G/GD10/OP-87910 Dimension 01
IV3-G/GD10/OP-87910 Dimension 02
IV3-G/GD10/OP-87910 Dimension 03
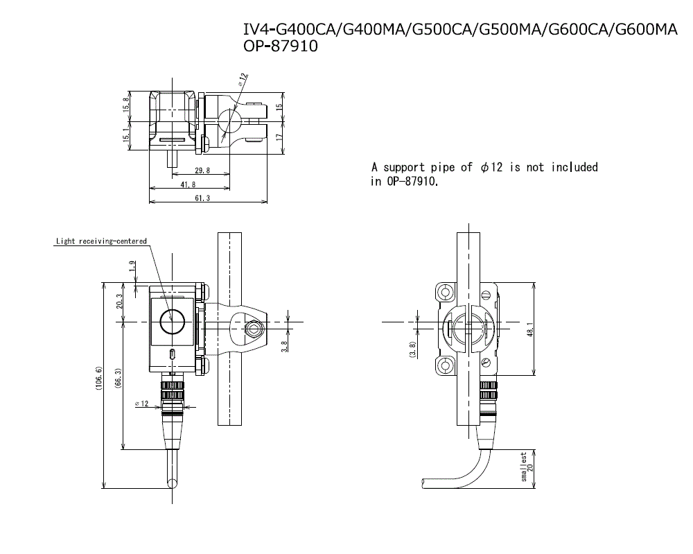
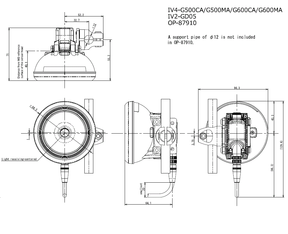
IV4-G400CA/G400MA/G500CA/G500MA/G600CA/G600MA/OP-87910 Dimension
IV4-G500CA/G500MA/G600CA/G600MA/IV2-GD05/OP87910 Dimension
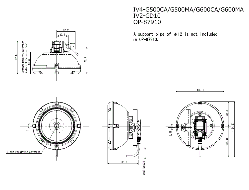
IV4-G500CA/G500MA/G600CA/G600MA/IV2-GD10/OP-87910 Dimension
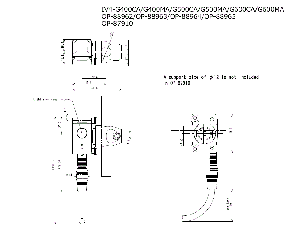
IV4-G400CA/G400MA/G500CA/G500MA/G600CA/G600MA/OP-87910/88962/88963/88964 Dimension
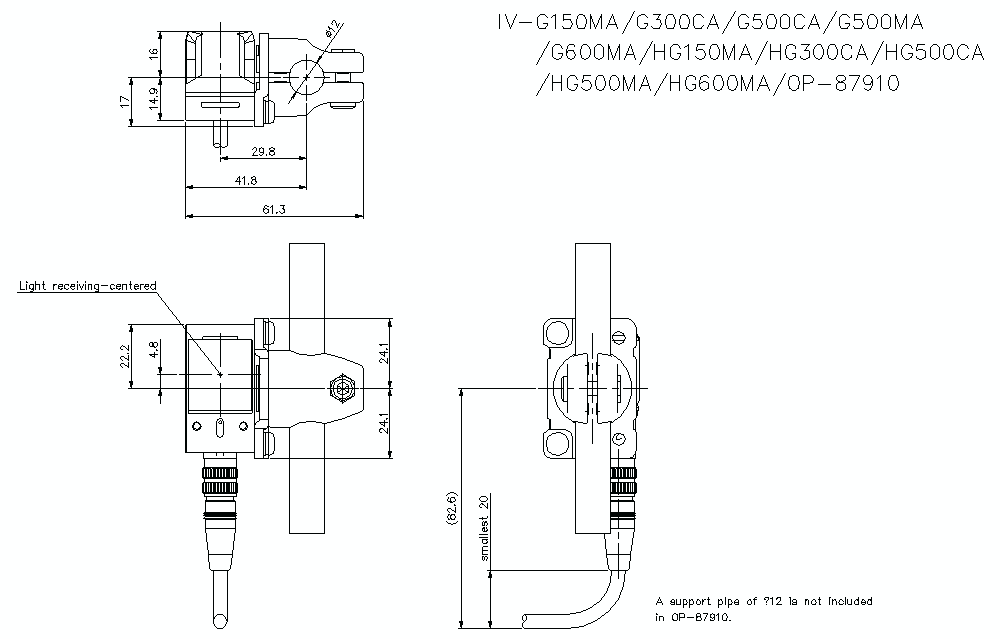
IV-G(CAMERA)/GD05/OP-87910 Dimension
IV-G(CAMERA)/GD10/OP-87910 Dimension
IV-G(CAMERA)/OP-87910 Dimension
OP-87910 Dimension
IV-HG(CAMERA)/GD05/OP-87910 Dimension
IV-HG(CAMERA)/GD10/OP-87910 Dimension
IV-G/HG/CAMERA/OP87910 Dimension