外形寸法図

  • 文字が読みにくい場合は、CADもしくはマニュアルをご確認ください。
IV4-400CA/400MA/500CA/500MA/600CA/600MA/OP-88913 Dimension
IV4-500CA/500MA/600CA/600MA/IV3-D10/OP-88913 Dimension
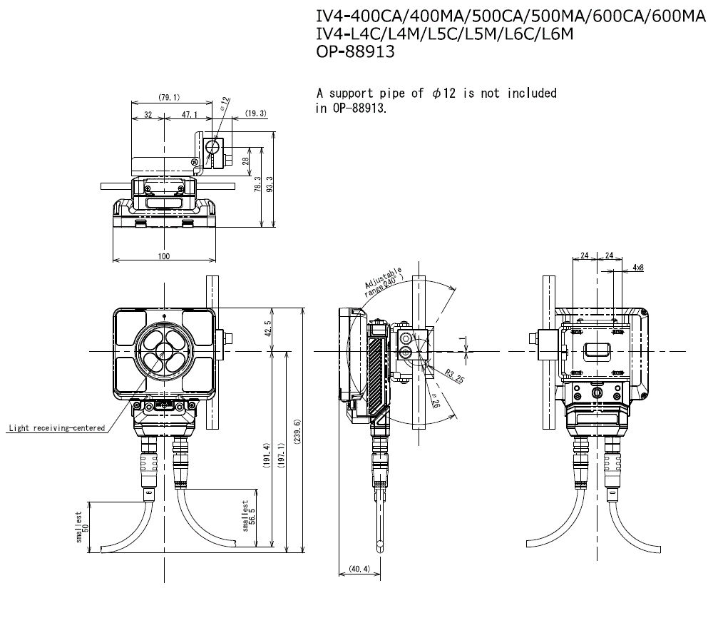
IV4-400CA/400MA/500CA/500MA/600CA/600MA/L4C/L4M/L5C/L5M/L6C/L6M/OP-88913 Dimension
OP-88913 Dimension
IV3_SENSOR_OP-88913 Dimension
IV3_SENSOR_OP-88913 Dimension