T0620515
do not use
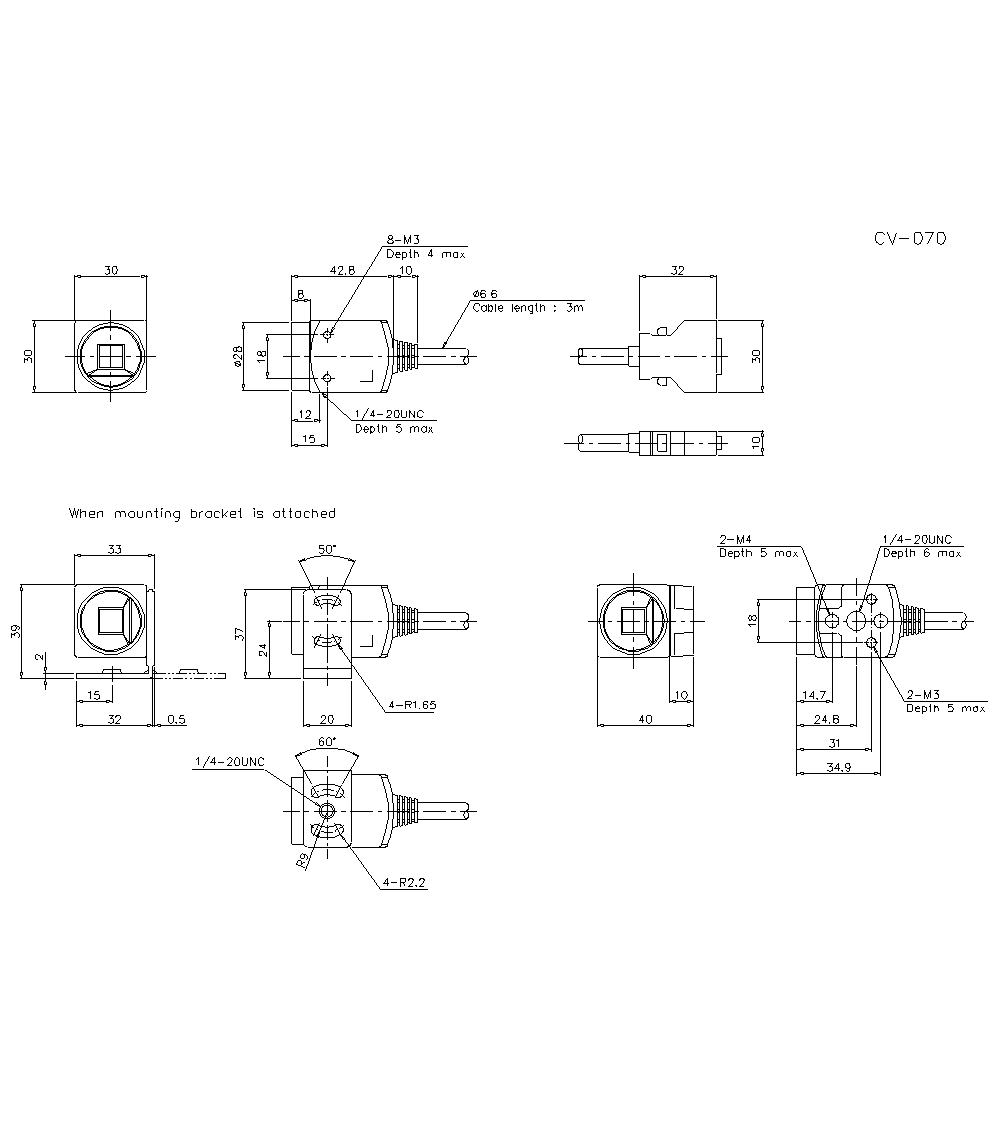
外形寸法図
※
文字が読みにくい場合は、CADもしくはマニュアルをご確認ください。
読み込み中
閉じる
読み込み中
閉じる