有機物も無機物も液モノも。
可視光では見えないものまでも観察できる。
透過光
液中の粒子や細菌、微生物など透明体の構造や形態が観察できる。
マイクロエマルション
コルテックス(毛皮質)
反射光
対象物表面の微細な構造や、傷などの形態が高解像度に観察できる。
マイカ塗料
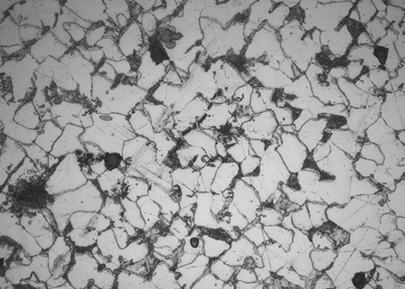
金属組織
蛍光
特定の波長をとらえることで、“見たいものだけ”を選択的に可視化できる。
物質の持つ「自家蛍光」で観察する
物質固有の自家蛍光を用いれば、前処理なしで特定の物質だけが観察できます。物質ごとに波長が異なるため、多重観察により分散状態も可視化します。
複合材料の分散状態
「蛍光色素」で見たいものを光らせる
自家蛍光を持たないものでも、蛍光色素を用いれば蛍光観察が可能。対象物内部の特定の物質のみ染色して観察することもできます。
マイクロクラックに蛍光色素を定着させて観察する「蛍光探傷」も可能です。
微生物Dead or Alive
位相差
可視光では見えない透明体でも輪郭や形態を可視化できる。
微生物(クモノスケイソウ)
偏光
化粧品や鉱物、樹脂等の結晶構造を色や輝度の変化で可視化できる。
保湿化粧品 ラメラ構造
成形品ゲート部の残留応力
低倍率も高倍率も、ゆがみのない圧倒的な高解像度画像を実現。
高分解能観察に強い倒立顕微鏡システム
水平出しが容易なので、高NAレンズでもピントのあった高解像度画像が撮影できます。
正立顕微鏡
倒立顕微鏡
容器越しでも、透明体や液中サンプルの形態、構造を鮮明に可視化できます。
正立顕微鏡(落射)
倒立顕微鏡(透過)
高分解能×低収差の新開発対物レンズ
要求解像度の高い医学分野での実績と、各種光学機器の開発で培った技術を結集し、専用レンズを開発。
視野周辺部まで歪みをおさえ、広い波長で明るく高解像度な観察が可能です。
高い光学技術を必要とする最大NA※ 1.45の油浸レンズもラインナップ
- ※NA(開口数): 光学系の明るさや解像力を表す数値。数値が高いほど、明るく高解像度な観察が可能。
高輝度LED×冷却CCDが高いS/N比を実現
広い波長で高い光量を持つ高輝度LEDと、低ノイズで高感度な観察が可能な冷却CCDにより、紫外から近赤外まで一台で幅広く対応します。
カラーとモノクロをワンクリックで切り替え可能。
モノクロなら光量(輝度)による高精度な定量化も可能。
フル電動制御システムだから、誰でも性能を最大限引き出せる。
- 電動コンデンサ
- 電動XYステージ
- 電動レンズ切換
- 電動フォーカス
- 電動フィルタ切換
- 電動カメラ切換
- 電動光量調整
位置合わせも
マップ画像から見たい場所をクリックするだけで、素早く正確に位置合わせが可能。
撮影も
ワンクリックでZ方向を高速にスキャンし、サンプルを問わず正確にピントをあわせて撮影。
解析も
撮影画像から設定を自動的に読み込み、高精度な定量解析も可能。
従来
BZ-Xシリーズ
フル電動制御だから遠隔操作にも対応可能
画像撮影から解析までマウス一つで完結するため、ネットワーク経由でのリモート制御も可能。
他拠点や共同研究先との情報共有や、実験室での密集回避などに役立ちます。
目的に応じて、必要なときに新しい機能が拡張できる。
高性能な基本システム
- 高輝度LED 落射/透過照明
- モノクロ/カラー 切換式冷却CCDカメラ
- 高速 オートフォーカス
- ブラックスペース 内蔵
- 6穴電動 レンズレボルバ
- 電動 フォーカス合成
- 大型電動 XYステージ
- 防振 フローティング構造
- 電気的 投影素子
改造不要。システム構成は自由自在
自動撮影
マップ画像から見たい場所をクリックするだけで、素早く正確に位置合わせが可能。
LEDチップ用ウェハの不良検査
指定領域を自動で連続撮影
光学セクショニング
レーザー共焦点のように、ボケのない高精細な画像が撮影できる。
食品(パン生地のグルテン)の蛍光観察
自動定量
輝度や色相などの画像情報をもとに、カウントや面積などの定量解析が可能。容器をまるごと自動撮影し、まとめて解析することもできる。
複合材料中の有機繊維の面積測定
マルチウェルプレートの一括撮影・一括解析も
タイムラプス
指定した時間間隔で自動撮影。
温度やCO2の制御も可能なので、生きたサンプルも撮影できる。
微生物のDead or Alive試験
多種多様な業界、用途で利用されるオールインワン蛍光顕微鏡その一部をご紹介します。
化学・素材業界
有機繊維の分散状態
通常の白色光では区別がつかないものを可視化します。
フィルム上の異物
自家蛍光を観察することで、異物(有機物)を特定します。
金属組織
NA値の高いレンズで高解像観察ができます。
シリカ
フィルム内のシリカの分散状態が可視化できます。
コーティング剤の塗布ムラ
蛍光の発現量を定量化することで、コーティング剤の塗布ムラが評価できます。
ガラスファイバー上のバインダー
バインダーの自家蛍光特性を利用して、塗布の均一性が確認できます。
電子・電機業界
有機繊維の分散状態
正常な素子のみ蛍光を発するため、欠点が一目でわかります。
ガスケットの蛍光浸潤テスト
電池の電解液漏れ経路が明確に確認できます。
基板断面
レジストの塗布状態なども蛍光により可視化できます。
食品・化粧品・日用品分野
毛皮層(コルテックス)
毛皮質の微細な構造もはっきりと観察できます。
パン生地 グルテンの蛍光
パン生地のグルテン含有量が蛍光で可視化できます。
ダブルエマルション
液滴、油滴の輪郭をしっかりとらえて観察できます。
グラム染色した乳酸菌の抽出
菌だけを正確に抽出。素早く数をカウントできます。
角質のテープストリッピング
隣り合った細胞を分離し、正確に細胞面積を測定します。
エマルション面積測定
小さな粒子まで正確に抽出して測定できます。
