入出力回路図 耐環境型デジタル圧力センサ AP-V80 シリーズ

AP-V80/V85/V82/V87

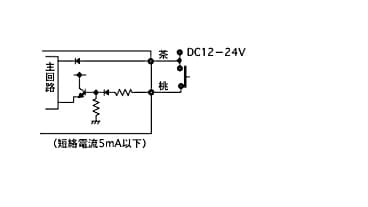
入力回路

外部入力回路

ゼロシフト入力・バンク切換NPN

AP-V80P/V85P/V82P/V87P

入力回路

外部入力回路

ゼロシフト入力・バンク切換PNP

アナログ出力回路