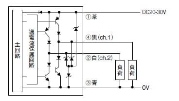
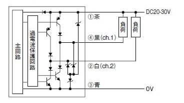
入出力回路図 クランプオン式流量センサ FD-Q シリーズ

ch.2を制御出力に設定したとき

NPN選択時

PNP選択時

  • ch.2がOFF(初期値)のときは②白は無効となります。

ch.2を外部入力に設定したとき

NPN選択時

PNP選択時

  • ch.2がOFF(初期値)のときは②白は無効となります。

ch.2をアナログ出力に設定したとき

  • ch.2がOFF(初期値)のときは②白は無効となります。

M12コネクタピン配置