入出力回路図 電極非接液型2線式電磁流量計 FD-U シリーズ

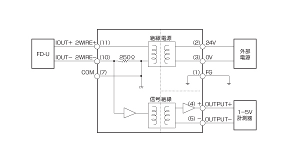
入出力回路図

流量計本体 トランジスタ出力回路

表示なし変換器 FD-UA7 内部回路

流量特性(圧力損失)

負荷抵抗仕様