入出力回路図 デジタルファイバセンサ FS-N シリーズ
ソケットケーブル(別売)について
FS-N11CN/N11CP/N12CN/N12CP/N13CP/N14CP/N15CN/N15CP
OP-73864(ケーブル長2m)
OP-73865(ケーブル長10m)
ピン-線色
入出力回路図
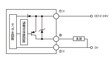
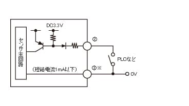
FS-N11N/N12N/N11MN/N13N/N14N
出力回路図
入力回路図
FS-N13N/N14Nのみ
-
※1FS-N11N/N11MN/N13Nのみ
-
※2FS-N11MNのみ
-
※3FS-N13N/N14Nには、別途出力2として白線があります。
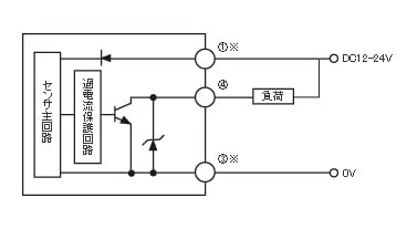
FS-N11P/N12P/N13P/N14P/N13CP/N14CP
出力回路図
入力回路図
FS-N13N/N14Pのみ
M8コネクタピン配置
-
※1FS-N11P/N13P/N13CPのみ
-
※2FS-N13P/N14Pには、別途出力2として白線があります。
-
※FS-N13CP/N14CPには、別途出力2として(2)ピンがあります。
FS-N11CN/N12CN/N15CN/N11EN/N12EN
出力回路図
入力回路図
M8コネクタピン配置
FS-N11CN/N12CN/N15CN
e-CONコネクタピン配置
FS-N11EN/N12EN
-
※FS-N11CN/N15CN/N11ENのみ
FS-N11CP/N12CP/N15CP
出力回路図
入力回路図
M8コネクタピン配置
-
※FS-N11CP/N15CPのみ
