入出力回路図 ホワイトスポット光電センサ LR-W シリーズ

入出力回路図

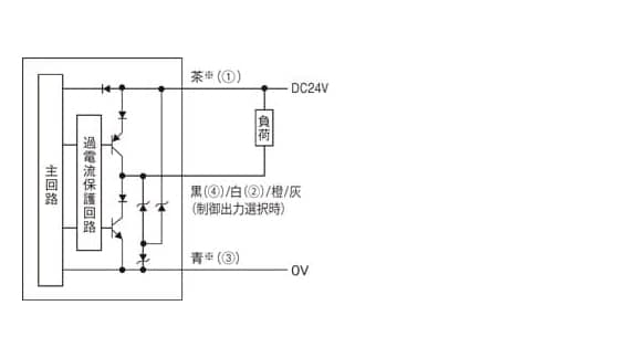
制御出力回路

NPN選択時

PNP選択時

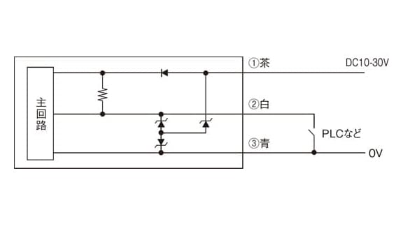
入力回路

NPN選択時

PNP選択時

M12コネクタピン配置

コントローラ入出力回路図

制御出力回路

NPN選択時

PNP選択時

  • MU-N11のみ

入力回路

NPN選択時

PNP選択時

アナログ出力回路

M12コネクタピン配置