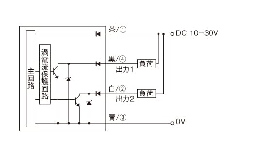
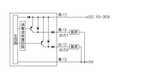
入出力回路図 アンプ内蔵型光電センサ PR-G シリーズ

NPNタイプ

PNPタイプ

透過型投光器

M8コネクタ(4pin)タイプ