結晶(アミノ酸・タンパク質など)の観察・解析の効率化
食品製造・製薬業界では、人体に直接取り込まれる製品を製造しているため、高いレベルの安全性と品質が要求されます。
そのため、結晶形態の原材料の受け入れまたは晶析工程、加工後の観察・解析など、各過程において詳しく正確に調べることによって適切な品質管理・品質保証を実施することができます。
ここでは、これまで難易度が高く多くの時間を要した結晶の観察・解析などを1台で完結する4Kデジタルマイクロスコープの活用事例を紹介します。

結晶とは
結晶とは、物質の固体の状態の1つで、原子または分子、イオンなどが規則的な周期で繰り返し立体的に配列し、空間格子をつくっている状態のことをいいます。結晶内の原子配列を「結晶構造」といい、配列の規則的な周期の最小単位を「単位格子」といいます。原子や無機分子のほか、たとえば100万を超える分子量を持つタンパク質分子なども結晶となります。
一般的に結晶は、多面体となっており、表面が平らで鋭い多角形の形状を持つ「稜(りょう)」がいくつも組み合わさった外観を持ちます。多くの場合、結晶は光の屈折率、弾性などが方向によって異なる「異方性」を持ちます。
結晶のニーズと観察・解析の課題
食品・医薬品の分野では、製品の原材料や製造工程において、さまざまな原薬やタンパク質、アミノ酸、でんぷんなどの材料に結晶の技術が広く用いられています。結晶を利用することで製品にさらなる付加価値を付与することができるため、結晶の晶析工程または社外からの結晶の受け入れが増加しました。結晶を用いた製品を製造するうえで、結晶の純度や外形、粒度分布、溶解性、流動特性などは品質を維持・向上するうえで重要となります。
結晶の性質は多くの場合、それを構成するそれぞれの原子または分子に由来、あるいは結晶内でのそれらの相互的な位置に関係します。それは異方性のなかでも屈折率や光吸収係数、旋光度、偏光解消度など、光学的性質にも現れます。しかし、一般に、受け入れた結晶または晶析の結果を評価するうえで、代表的な指標となるのが結晶の外観や外形、粒度分布などの観察や解析です。
しかし、結晶は微小で複雑な立体形状や異なる透過性、光の屈折、乱反射が同居しているため、観察や解析の難易度が高いことが課題でした。具体的には、下記のような課題が挙げられます。
- 結晶は立体形状を持つため、高倍率観察では試料の一部にしかピントが合わない。
- 稜の角度がまばらであるため、光の乱反射により照明の条件出しが困難。
- 背景とのコントラストが低いことが多く、結晶の輪郭を捉えることが難しい。
- 上記の要因により、定量的な解析・評価の難易度が高い。
次項では、結晶の観察・解析における諸課題を解決し、高度化と定量化、業務の大幅な効率化を実現する、4kデジタルマイクロスコープの活用事例を紹介します。
結晶の観察・解析での課題を解決する4Kデジタルマイクロスコープの活用事例
結晶のような難易度の高い対象物の観察・解析における課題を解決すべく、キーエンスでは現場の声を基に30年以上にわたって観察・解析者のニーズに応える新しいデジタルマイクロスコープを製作し続けてきました。
その最新シリーズが、次世代のマイクロスコープといえる超高精細4Kデジタルマイクロスコープ「VHXシリーズ」です。高い性能と多彩な機能を備え、それらを簡単な操作で活用できる独自の観察システムは、業務における属人化の解消と効率向上を実現します。
ここでは、結晶の観察・解析における「VHXシリーズ」の活用事例を紹介します。
原薬の結晶観察・解析・レポート作成
製薬に用いられる原薬の結晶は、複雑な立体形状を持つため全体にピントが合わないことが多くあります。また、結晶特有の透過性や光の屈折によって高いコントラストが得られず、形状を鮮明に観察することが困難でした。
4Kデジタルマイクロスコープ「VHXシリーズ」は、1台でさまざまな照明条件に対応し、これまで多くの時間を要した条件出しもきわめて簡単かつスピーディに行うことができます。ボタンを押すだけで全方位からの照明による複数の画像を自動取得する「マルチライティング」機能を搭載。取得した画像の中から目的に合った画像を選択するだけで、高精細な4K画像ですぐに結晶の観察を始めることができます。
取得した複数の画像データは保存されるため、たとえば後日、異なる照明条件での観察が必要になった場合も簡単に画像を呼び出すことができます。
また、過去の観察画像を選択するだけで、そのときの条件を完全再現することができるため、サンプルの個体・観察日時・観察者が違っても、同一条件下での観察が簡単に実現します。


さらに、「VHXシリーズ」は、観察からシームレスに結晶粒度の解析を実行することができます。「自動面積計測・カウント」機能では、簡単な操作で範囲を指定し、その範囲内を任意のしきい値で2値化。結晶の面積計測やカウントを自動で行うことができます。
各結晶の面積・周囲長・最大径・最小径のほか、選択範囲内の結晶の個数や面積の平均・標準偏差・最大値・最小値・面積率など、詳細な数値を自動的に計測・算出・カウントして一覧表示します。選択範囲に含まれる不要な対象物の除外や重なり合う対象物の分離も可能なため、精度の高い分析を実現します。

加えて、「VHXシリーズ」にExcelを直接インストールすることができるため、取得した画像や数値を任意のテンプレートへ出力・レイアウトしたレポートを自動作成できます。
こうした多彩な機能により、これまで観察から解析、レポート作成にかかっていた一連の作業を簡易化・効率化し、工数を大幅削減します。

でんぷんの結晶の高コントラスト観察
でんぷんの観察では、結晶の透過性が高いため背景とのコントラストが低く、結晶の輪郭や形状を鮮明に観察することが困難でした。
4Kデジタルマイクロスコープ「VHXシリーズ」は、透過照明を実現するバックライトに加え、シャッタースピードを変えた画像を複数撮像して合成し、高階調の画像を取得する「HDR(High Dynamic Range)」機能を搭載しています。これを活用することにより、でんぷんの結晶のように背景とのコントラストの低い対象物の観察においても、コントラストが高く高精細な4K画像が得られ、結晶の輪郭やテクスチャを鮮明に観察することができます。


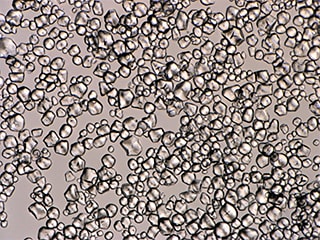
アミノ酸やタンパク質の結晶観察
光学顕微鏡の20倍以上の被写界深度と高解像度を両立した4Kデジタルマイクロスコープ「VHXシリーズ」は、透過照明(バックライト)や落射照明、偏光観察など、マルチに活用できる高機能な照明を搭載しています。
また、全方位からの照明で撮像した複数の画像を自動取得する「マルチライティング」機能により、さまざまな結晶に適した照明条件をスピーディに得ることができます。
「VHXシリーズ」が持つ高い性能と機能、独自の観察システムにより、これまで条件出しが難しかったアミノ酸やタンパク質など、さまざまな外観を持つ結晶を高精細な4K画像で簡単に観察することができます。

結晶の観察・解析、食品・製薬業界での業務の常識を変える4Kデジタルマイクロスコープ
ここまで紹介した事例のとおり、4Kデジタルマイクロスコープ「VHXシリーズ」は、これまで条件出しや解析の難易度が高く、多くの手間と時間を要した結晶の観察・解析の常識を大きく変えます。
高精細な4K画像を実現する最先端の光学系や4K CMOS、あらゆる結晶の透過性に対応するバリエーション豊富な照明、簡単な操作で多彩な機能が活用できる独自の観察システムにより、結晶の高度な観察を合理的に実現します。
また、観察視野からそのままシームレスに結晶の自動面積計測やカウント、そしてレポートの自動作成まで1台で完結するため、業務効率が大幅に向上します。
そして、ここで紹介した以外にも多彩な機能を持つ「VHXシリーズ」は、食品・製薬業界におけるさまざまな観察・解析業務を強力にサポートします。
「VHXシリーズ」に関する詳細は、以下のボタンよりカタログをダウンロード、または、お気軽にご相談・お問い合わせください。


