入出力回路図 クランプオン式流量計 FD-R シリーズ
DC給電時
機能選択に応じて、配線が変わります。
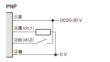
ch.1:OUT、ch.2:OFF または ch.1:OUT、ch.2:OUT 選択時
-
※ch.1:OUT、ch.2:OFFを選択する場合は、②白線を単独で絶縁してください。
ch.1:OUT、ch.2:Analog 選択時
ch.1:OUT、ch.2:INPUT 選択時
ch.1:Analog、ch.2:OFF または ch.1:Analog、ch.2:Analog 選択時
-
※ch.1:Analog、ch.2:OFFを選択する場合は、②白線を単独で絶縁してください。
ch.1:Analog、ch.2:INPUT 選択時
AC給電時
| 端子台番号 | 端子信号 | 役割 |
|---|---|---|
| ① | ch.1 | ch.1 |
| ② | ch.2※1 | ch.2 |
| ③ | COM+※2 | コモン(+) |
| ④ | COM- | コモン(-) |
| ⑤ | L | 電源 |
| ⑥ | N | |
| ⑦ | PE※3 | 保護接地端子 |
-
※1ch.2の機能を使用しない場合、ch.2用の芯線は不要です。
-
※2アナログ出力のみを使用する場合、COM+用の芯線は不要です。
-
※3PEは、本体端子台にて接地を行なう場合のみ必要です。
-
※4I/O端子台(①~④部分)とAC端子台(⑤・⑥部分)は絶縁されています。
