入出力回路図 アンプ分離型気体用流量センサ FD-V40 シリーズ

FD-V40A・V45A

入出力回路

アナログ出力回路

外部入力回路

積算リセット

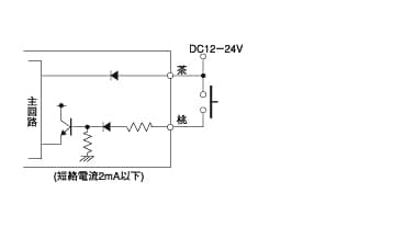
FD-V40AP・V45AP

入出力回路

アナログ出力回路

外部入力回路

積算リセット