入出力回路図 アンプ分離型デジタル流量センサ FD-V70 シリーズ

FD-V70A/V75A

入出力回路

アナログ出力回路

外部入力回路

積算リセット・バンク切換

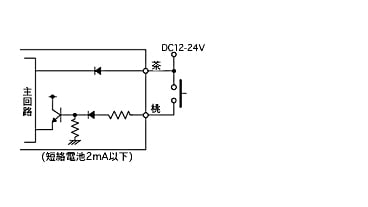
異常警報出力

FD-V70AP/V75AP

入出力回路

アナログ出力回路

外部入力回路

積算リセット・バンク切換
  • FD-V70AP/V75APには異常警報出力はありません。