配線図 セーフティレーザスキャナ SZ-V シリーズ
SZ-V04タイプ
PNP配線例
| K1,K2,K3,K4 | 外部デバイス(セーフティリレー、マグネットコンタクタなど) |
|---|---|
| K5,K6 | ソリッドステートコンタクタ |
| S1 | OSSD1/2用 リセット用スイッチ(N.O.) |
| S2 | OSSD3/4用 リセットスイッチ(N.O.) |
| S3-1,S3-2 | バンク切り換え用スイッチ |
| PLC | 安全関連の制御システムではなく、モニター用に使用 |
| M | 3相モーター |
-
[OSSD3/4]マルチOSSD
-
[バンク切換]使用する
-
[ミューティング]使用しない(使用不可)
-
[インターロック]使用する
-
[EDM]使用する
NPN配線例
| K1,K2,K3,K4 | 外部デバイス(セーフティリレー、マグネットコンタクタなど) |
|---|---|
| K5,K6 | ソリッドステートコンタクタ |
| S1 | OSSD1/2用 リセット用スイッチ(N.O.) |
| S2 | OSSD3/4用 リセットスイッチ(N.O.) |
| S3-1,S3-2 | バンク切り換え用スイッチ |
| PLC | 安全関連の制御システムではなく、モニター用に使用 |
| M | 3相モーター |
-
[OSSD3/4]マルチOSSD
-
[バンク切換]使用する
-
[ミューティング]使用しない(使用不可)
-
[インターロック]使用する
-
[EDM]使用する
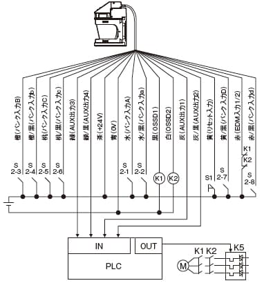
SZ-V32タイプ
PNP配線例
| K1,K2 | 外部デバイス(セーフティリレー、マグネットコンタクタなど) |
|---|---|
| K5 | ソリッドステートコンタクタ |
| S1 | OSSD1/2用 リセット用スイッチ(N.O.) |
| PLC | 安全関連の制御システムではなく、モニター用に使用 |
| S2-1,S2-2,S2-3,S2-4,S2-5,S2-6,S2-7,S2-8 | バンク切り換え用スイッチ |
| M | 3相モーター |
-
[バンク切換]使用する
-
[バンク切換方式]配線入力による切り換え
-
[バンク数]シングル:最大8、バイナリー:最大16
-
[インターロック]使用する
-
[EDM]使用する
NPN配線例
| K1,K2 | 外部デバイス(セーフティリレー、マグネットコンタクタなど) |
|---|---|
| K5 | ソリッドステートコンタクタ |
| S1 | OSSD1/2用 リセット用スイッチ(N.O.) |
| PLC | 安全関連の制御システムではなく、モニター用に使用 |
| S2-1,S2-2,S2-3,S2-4,S2-5,S2-6,S2-7,S2-8 | バンク切り換え用スイッチ |
| M | 3相モーター |
-
[バンク切換]使用する
-
[バンク切換方式]配線入力による切り換え
-
[バンク数]シングル:最大8、バイナリー:最大16
-
[インターロック]使用する
-
[EDM]使用する
SZ-V32Nタイプ
PNP NPN配線例
| PLC | 安全関連の制御システムではなく、モニター用に使用 |
|---|---|
| Safety PLC | 安全関連の制御システム |
-
[バンク切換]使用しない
-
[ミューティング]使用しない
-
[インターロック]使用しない
-
[EDM]使用しない
