入出力回路図 アンプ内蔵型CMOSレーザセンサ LR-Z シリーズ

参考データ

ページトップへ

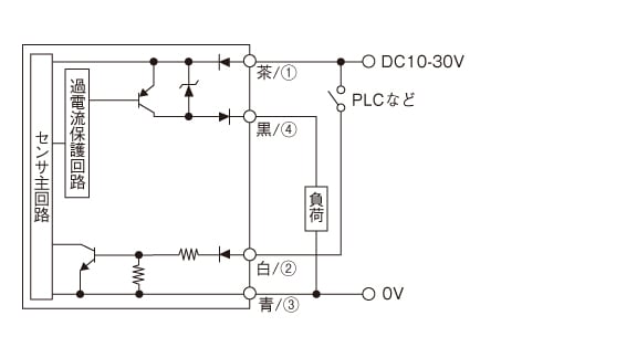
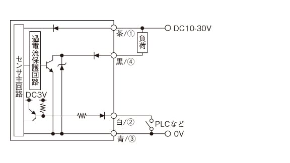
入出力回路図

NPNタイプ

LR-ZN

PNPタイプ

LR-ZP

M8コネクタ(4pin)タイプ