入出力回路図 デジタルR・G・Bセンサ CZ-V20 シリーズ

接続図

  • CZ-V21A・V21APのみ

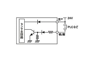
出力回路

CZ-V21A・V22A

  • CZ-V21Aのみ

CZ-V21AP・V22AP

  • CZ-V21APのみ

入力回路

  • 外部チューニング(桃)
  • 外部バンク切換 / 外部シフト(紫)

CZ-V21A・V22A

  • CZ-V21Aのみ

CZ-V21AP・V22AP

  • CZ-V21APのみ