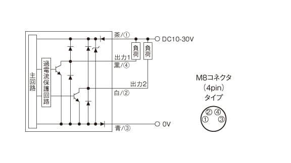
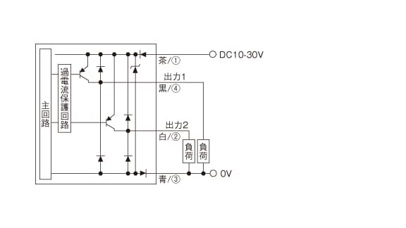
入出力回路図 超小型アンプ内蔵型光電センサ PR-M/F シリーズ

NPNタイプ

PNPタイプ

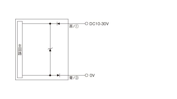
透過型投光器