入出力回路図 CCD透過型デジタルレーザセンサ IG シリーズ
配線図
-
※1IG-1050/IG-1550(子機)に、茶・青・水線はありません。
子機の電源は、IG-1000/IG-1500(親機)より供給されます。 -
※2アナログ出力は、使用しない(OFF)/0-5V/±5V/1-5V/4-20mAの中から選択できます。
-
※3外部入力は、左記以外にバンクA入力/バンクB入力/レーザ投光停止入力/使用しない(OFF)の中から選択できます。
外部入力4はゲイン入力も選択できます。
詳細はユーザーズマニュアルを参照してください。
入出力回路図
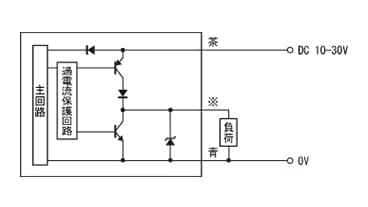
判定出力/エッジチェック出力
NPN出力を選択時
-
※黒(HIGH判定出力)/白(LOW判定出力)/灰(GO判定出力)/緑(エッジチェック出力)
PNP出力を選択時
-
※黒(HIGH判定出力)/白(LOW判定出力)/灰(GO判定出力)/緑(エッジチェック出力)
入力
NPN出力を選択時
-
※桃(外部入力1)/ 黄(外部入力2)/桃/紫(外部入力3)/紫(外部入力4)
PNP出力を選択時
-
※桃(外部入力1)/黄(外部入力2)/桃/紫(外部入力3)/紫(外部入力4)
アナログ電流/電圧出力
NPN出力を選択時
