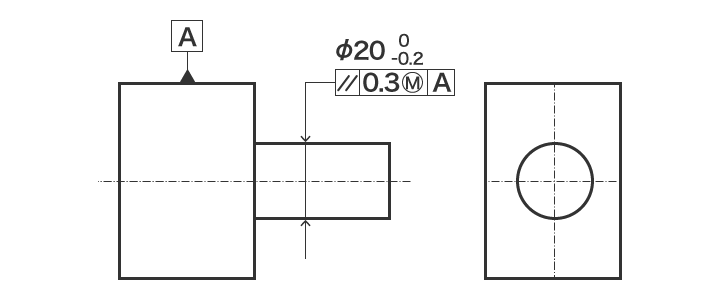
最大実体公差方式(MMR:Maximum Material Requirement)
2つの部品が、はまり合うように設計する場合には「最大実体公差方式」が採られます。
たとえば、穴にはまるように設計した軸が最大実体状態(MMC)のときに、実際にはめ合わせてみると「はまらない」ということが起きないようにすることと、それを避けるため過剰に厳しいサイズ公差を設定することを防ぐための指示方式です。
とは
寸法に最大実体公差方式を適用する場合は、公差記入枠のサイズ公差に続けてを記入します。「M」はMaximum Material Requirement(MMR)の略で、最大実体公差方式の適用を指示する記号です。

サイズ公差の扱いについて
最大実体公差方式では、必ずサイズ公差を守ります。しかし、サイズ公差が最大実体サイズから離れた場合、差分を幾何公差に追加し、実効寸法にすることができます。
-
最大実体状態

-
実効状態

- a
- 実効寸法
動的公差線図で最大実体公差方式を表す
「動的公差線図」とは、サイズ公差と幾何公差の公差領域の変化をビジュアル的に表すツールです。縦軸に幾何公差、横軸にサイズ公差をとることで、サイズ公差と幾何公差のばらつきを同時に表すことができます。また、最大実体公差の適用によって幾何公差に緩和が得られた場合に発生するボーナス公差も明確になります。

- a
- シャフト
- b
- ハウジング

- a
- 真直度
- b
- 軸のサイズ公差
- c
- 穴のサイズ公差




