位置度の測定
「データム(基準となる平面、直線)に対してどのくらい正確な位置にあるか」という位置度の精度を測定します。
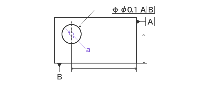
図面例

- a
- 直径0.1mmの範囲内
ゲージによる測定

測定ゲージや検査ゲージで合否を判定します。
測定作業者の習熟度による作業速度や検査品質のばらつきがなく、手軽に測定でき自動化にも対応できるというメリットがあります。
問題点
ゲージは対象物ごとに作成する必要があり、特注ゲージともなると初期費用も発生するため、試作段階での導入は難しいという問題があります。
三次元測定機による測定

- a
- XY面 データム平面A
- b
- ZX面 データム平面B
- c
- YZ面 データム平面C
- d
- 対象物
- e
- 定盤
基準面を設定し、対象物の測定ポイントにスタイラスを当てて測定します。測定結果はすぐに画面に表示されます。
直交座標も測定でき、複合位置度も1回の測定で出力できます。
さらに、穴の場合は深さを変えて数か所測定することで、円筒度や直角度、真直度などの検証結果を出力することができます。
-
キーエンス ハンディプローブ三次元測定機での測定画面
- a
- 対象点(円)
- b
- 位置度の測定結果




