位置公差(位置偏差)
位置公差とは、ある基準に対してその形体のあるべき位置(真位置)を決定する公差です。位置公差の指定には必ずデータムが必要なので、データムに関連した形体、つまり関連形体の幾何公差になります。
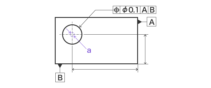
位置度

「データム(基準となる平面、直線)に対してどのくらい正確な位置にあるか」の精度を指定します。

- a
- 直径0.1mmの範囲内
- 図面の解釈
- 指示線の矢で示した円の中心点は、直径0.1mmの円の中になければならない。
同軸度

「2つの円筒の軸が同軸であること (中心軸がずれていないということ)」を指定します。

- 図面の解釈
- 指示線の矢で示した円筒の軸線は、データム軸直線Aを軸線とする直径0.03mmの円筒の中になければならない。
同心度

「2つの円筒の軸が同軸であること(中心点がずれていないということ)」の精度を指定します。同軸度とは違い、基準は中心点(平面)になります。

- a
- 0.05mmの円の範囲内
- 図面の解釈
- 指示線の矢で示した円筒の軸線は、データム軸直線Aを軸線とする直径0.05mmの円筒の中になければならない。
対称度

「データム(基準となる平面)に対して対称であること」の精度を指定します。

- a
- 理論的な中心面から0.05mm以内
- b
- 理論的な中心面
- 図面の解釈
- 指示線の矢で示した中心面は、データム中心平面Aに対称に0.05mmの間隔を持つ、平行な2つの平面の間になければならない。




